
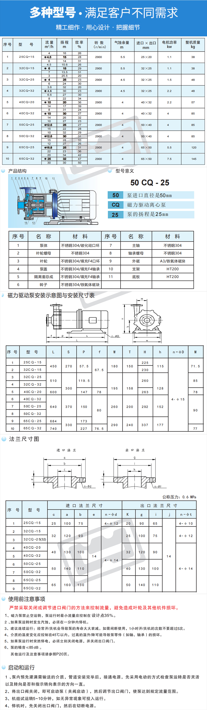
磁力泵結構緊湊、外形美觀、體積小、噪音低、運行可靠、使用維修方便。可廣泛應用于化工、制藥、電鍍、食品、電影照相洗印、科研機構、國防工業等單位抽送酸、堿液、油類、稀有貴重液、毒液、揮發性液體,以及循環水設備配套、過濾機配套。特別是易燃、易爆液體的抽送,選用此泵則更為理想。
CQ型磁力驅動泵(簡稱磁力泵)是將永磁聯軸器的工作原理應用于離心泵的新產品,設計合理,工藝先進、具有全密封、無泄漏、耐腐蝕等特點,其性能達到國外同類產品的先進水平。
不銹鋼磁力泵以靜密封取代動密封,使泵的過流部件處于完全密封狀態,徹底解決了其他泵機械密封無法避免的跑、冒、滴之弊病。磁力泵選用耐腐蝕、高強度的不銹鋼作為制造材料,因此它具有抗腐蝕性能,并可以使被輸送介質免受污染。
設計壓力:0.6MPa
法蘭標準:HG/T20592-09



在泵閥制造領域,安徽臥龍泵閥股份有限公司宛如一顆耀眼的明星,熠熠生輝。自 1985 年創立以來,歷經四十載的風雨洗禮與不懈拼搏,憑借深厚的技術底蘊、豐富多元的產品以及對品質的執著堅守,在行業內樹立了卓越的典范。? 公司坐落于風景秀麗的安徽涇縣茂林鎮臥龍工業園,周邊環繞著黃山、九華山、桃花潭景區和太平湖景區,自然環境優美。這一地理位置不僅賦予了公司宜人的工作環境,更使其在人才吸引、文化交流等方面具備獨特優勢。同時,相對便利的交通條件,也為原材料的高效采購與產品的順暢運輸提供了有力保障。? 回首創業之初,公司
發布時間:2025-08-07
